New variable programmatically; also: Solving under/over defined system of linear eqautions - Сообщения
WroteAlex,
Maybe you can find some ideas in this:0704.2661.pdf (508,76 КиБ) скачан 566 раз(а).
Is from Googel harvest...
Many thanks for the reference, just the title alone tells me i will end up reading it word-by-word
WroteAlex,
Here is a little reflection concerning the risks of the confidence in mathematics let alone.
Here is an example:
You have a classical illustration of the stable vs unstable equilibrium.
Both mechanisms satisfy the equilibrium conditions (mathematically speaking), they can be well identified by a good mathematics tool, as you tried.
But, for us the two situations are far from being both acceptable. One is "happiness" (OK!) while the second is purely "unhappiness" (KO!!!).
Ties and struts are reversed.
That's one of the reasons why I think that it is better to handle a strong equilibred modeling.
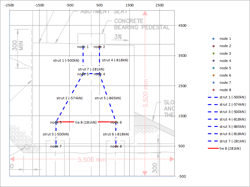
I 100% on board with you for not solving the truss using F.x & F.y equilibrium alone - frankly I would not sleep well at night if I did. Lets keep things in perspective though. I am solving stru & tie model and strut and tie is looking at a solid chunk of concrete. Struts and ties are just the stress fields (is this a correct term?) within that blob of concrete. It ain't going nowhere. And is completely stable. (take a look at this deep beam crossection for example

If you solve strut and tie using truss model you are poised to introduce either unnecessary B.C. (boundary conditions) or redundant members.
We might be comparing apples to oranges here.
All said though, I do appreciate the cleanliness of your solution and its presenation.
Cheers
P.S.: I use EXCEL to viasualize the geometry of said stress fields within the real concrete section. If I did not there would not be an easy way to confirm that my struts are within the concrete chunk. That would be a no go for me
Wrote
Let it be clear, I'm not in a commercial attitude. I have nothing to force for selling...
So I'll definitely stop here.
Agreed
Otherwise we could continue this conversation till the ends of time.
Say if in a for() loop I came across a string "cat44" I would like to create & assign value to variable cat44:="Meow". str2num("cat44") :="Meow" predictably does not work.
WroteThanks alot, I knew there was a way!
Alex,
Can you exemplify a typical application [short].
I am trying to create a boolean string using for loop and str2num() on a matrix with three rows - left side, operand, and right side, and n columns.
It seems that everything would work if I could introduce quote charachter inside of quotes. Is this at all possible?
Is there another solution to waht I am trying to achieve?
Thanks!

WroteIt seems that everything would work if I could introduce quote charachter inside of quotes. Is this at all possible?
Nope.
WroteIs there another solution to waht I am trying to achieve?
You can use the unit symbol '
![2016-12-29 11_03_17-SMath Studio - [Page1_].png](/ru-RU/files/Download/k3V2Kn/2016-12-29-11_03_17-SMath-Studio---[Page1_].png)
I actually slightly modified your approach using a dummy string variables left# and right#:

Or even better looking:

Now only if I could make the expression left#≡right# return itself in a string format without having to clear variables left# and #right beforehand
- Новые сообщения
- Нет новых сообщений

![2016-11-24 18_39_57-SMath Studio - [Page1_].png](/ru-RU/files/Download/hY4h4S/2016-11-24-18_39_57-SMath-Studio---[Page1_].png)