1 Pages (4 items)
Ideal Gas Steam Unit - Messages
Gas-Steam.sm (71.32 KiB) downloaded 990 time(s).
Hi. With T-s diagram.
Gas-Steam Ideal.sm (101.24 KiB) downloaded 929 time(s).
Gas-Steam Ideal.pdf (406.25 KiB) downloaded 563 time(s).
Best regards.
Alvaro.
Gas-Steam Ideal.sm (101.24 KiB) downloaded 929 time(s).
Gas-Steam Ideal.pdf (406.25 KiB) downloaded 563 time(s).
Best regards.
Alvaro.
WroteHi. With T-s diagram.
Gas-Steam Ideal.sm (101.24 KiB) downloaded 929 time(s).
Gas-Steam Ideal.pdf (406.25 KiB) downloaded 563 time(s).
Best regards.
Alvaro.
Thanks!
But see please
https://www.maplesoft.com/applications/Preview.aspx?id=154050
and this picture

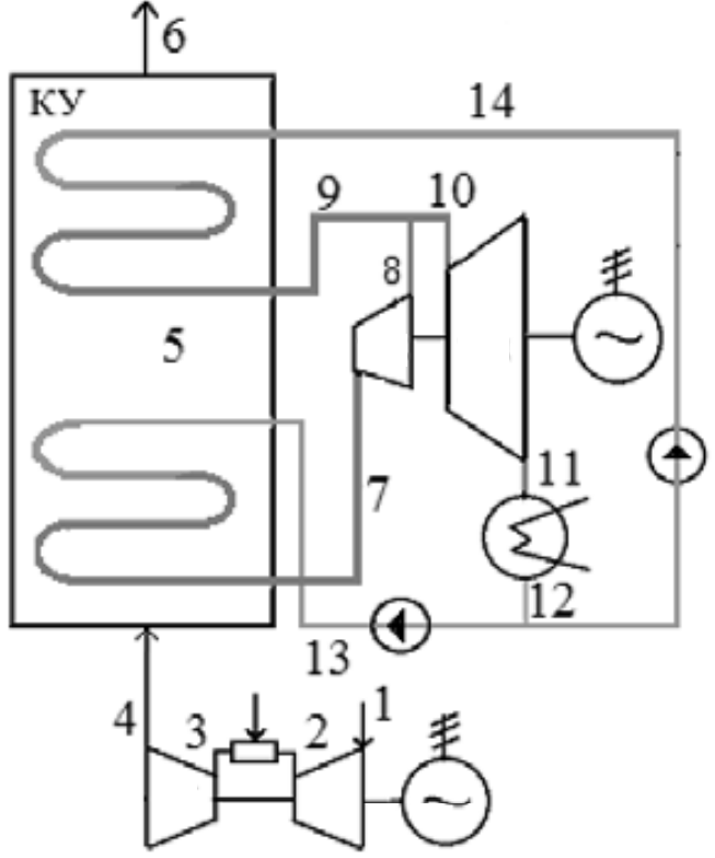
Our cycle is not real in this sing. We must work with 2-stage unit

Wrote[
But see please
https://www.maplesoft.com/applications/Preview.aspx?id=154050
and this picture
You don't have recoverable heat at state 2, it is on the compressed liquid region (even 2 are exhaust pipe, but I don't know how to catch the exergy into a reheater or new boiler in that case).

Wrote... Our cycle is not real in this sing. We must work with 2-stage unit
You need to guess some efficiencies or give some state for the reheat components.
This have the Ts, Th and hs diagrams.
Gas-Steam Ideal.sm (134.26 KiB) downloaded 927 time(s).
Best regards.
1 users liked this post
Valery Ochkov 2023/6/3 04:53:00
1 Pages (4 items)
- New Posts
- No New Posts